英国365集团官网

中文版

English

搜索
G3-3D振镜
产品信息
典范应用

 

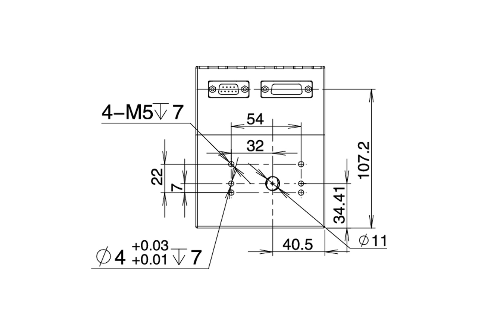
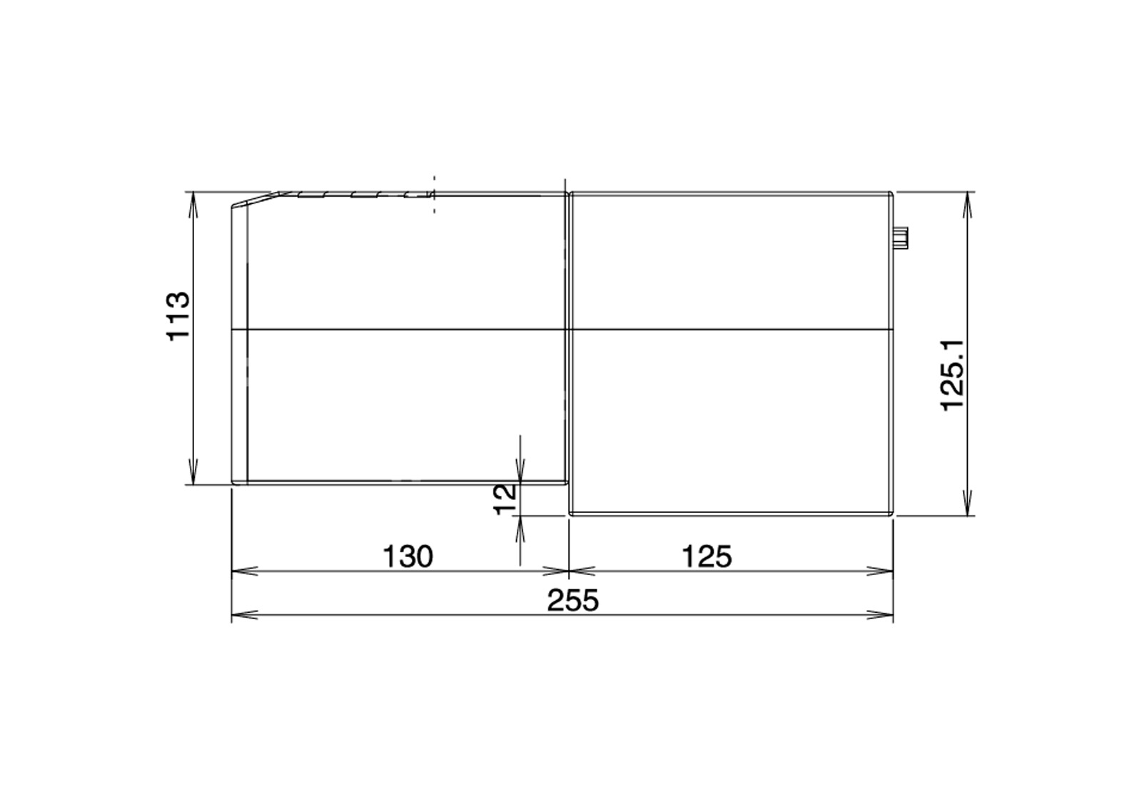
主要设置

  • 标刻速率:4000mm/s
  • 定位速率:10000mm/s
  • 跟踪误差:0.25ms
  • 非线性度:<3.5mrad/44°
  • 重复精度:<8μrad
  • 1%全行程:≤0.4ms
  • 增益漂移:<50ppm/K
  • 零位漂移:<15μrad/K
  • 8小时漂移:<0.3mrad
  • 扫描角度:±0.35rad
  • 镜片光斑:10mm
  • 通讯协议:XY2-100
  • 供电电源:±15V DC,3A
  • 事情温度:25℃±10℃
  • 波长:1064nm、532nm、355nm
  • 扩束比:1.4、1.4、3
  • 入射光斑:7mm、7mm、3mm
  • 变焦规模:光纤 ±30mm(搭配 F254-174场镜数据)
                     绿光 ±7mm(搭配F165-115场镜数据)
                     紫外 ±15mm(搭配F254-175场镜数据)
  • 加工幅面:150(可替换场镜)
                     100(可替换场镜)
                     150(可替换场镜)

 

典范应用

G3-3D振镜可用于模具加工、曲面标刻、浮雕、深雕、外貌处置惩罚等。

JCZ

JCZ

JCZ

JCZ

JCZ

相关产品

上一页
1

联系英国365集团官网

电话

天下统一服务热线

电话:010-64426993
邮箱:market@bjjcz.com

二次开发邮箱: dev@bjjcz.com

返修:北京市顺义区北务镇民泰路13号院15号楼4层

股票代码:688291

微信公众号

微信公众号

微信公众号

抖音企业号

服务支持

服务支持

英国365集团官网

地址:北京市顺义区北务镇民泰路13号院22号楼

苏州英国365集团官网激光手艺有限公司 

地址:江苏省苏州市虎丘区科技城漓江路56号3楼

广东英国365集团官网科技有限公司

地址:广东省东莞市寮步镇仁居路1号松湖智谷研发中心A4栋1002室

英国365集团官网武汉分公司

地址:湖北省武汉市东湖高新区大学园路华工科技园现代服务业基地1号楼B座1101

版权所有 ? 2022 英国365集团官网       京ICP备18045191号-1

  网站建设:中企动力 北京

网站地图